Расчет транзисторных усилителей. курсовая работа (т). информатика, вт, телекоммуникации. 2021-05-16
Министерство
образования и науки Республики Казахстан
ВОСТОЧНО-КАЗАХСТАНСКИЙ
ГОСУДАРСТВЕННЫЙ ТЕХНИЧЕСКИЙ УНИВЕРСИТЕТ им. Д.Серикбаева
Кафедра
«Приборостроение и автоматизация технологических процессов»
ПОЯСНИТЕЛЬНАЯ
ЗАПИСКА
к
курсовому проекту
по
дисциплине «Электроника»
Тема:
«Расчет транзисторных усилителей»
Выполнил:
студент группы
12-РТ-1
Мусин Д.К.
Проверил
доцент кафедры
ПиАТП
Корнев В.А.
Усть-Каменогорск
2021
СОДЕРЖАНИЕ
Введение
1
Аналитический обзор
1.1
Классификация усилителей
1.2
Общие принципы проектирования усилителей на биполярных транзисторах
.3
Амплитудная и амплитудно-частотная характеристики
1.4
Типы связи между отдельными усилительными каскадами
.5
Обратная связь
2
Расчет транзисторного усилителя
2.1
Оценка предельных параметров и выбор транзистор
.2
Расчет первого каскада
.2.1
Расчет по постоянному току
.2.2
Динамический расчет усилитель транзистор биполярный
.3
Расчет второго каскада
2.3.1
Расчет по постоянному току
2.3.2
Динамический расчет
2.4
Расчет разделительных конденсаторов и емкости шунтирующего конденсатора в цепи
эмиттера
Заключение
Список
литературы
Приложение
А
Приложение
Б
Приложение
В
Приложение
Г
Приложение
Д
Приложение
Е
Приложение
Ж
ВВЕДЕНИЕ
Одна из основных функций, реализуемых
аналоговыми устройствами, это усиление. В качестве активных элементов чаще
всего применяются транзисторы.
В настоящее время знание принципов использования
электронных приборов для усиления, генерирования, преобразования электрических
сигналов и владение методами анализа и расчета электронных цепей приобретает
особую актуальность с развитием микроэлектроники.
В технике повсеместно используются разнообразные
усилительные устройства. Характерной особенностью современных электронных
усилителей является исключительное многообразие схем, по которым они могут быть
построены.
Электронные усилители являются одними из
наиболее важных и широко используемых устройств в системах передачи и обработки
различной информации, представленной с помощью электрических сигналов. Высокая
чувствительность, быстродействие, компактность, экономичность электронных
усилителей обусловили их широкое применение в измерительной технике, электро- и
радиосвязи, автоматике, вычислительной технике и т.п
В зависимости от того, какой параметр входного
сигнала требуется увеличить с помощью усилительного каскада, различают
усилительные каскады напряжения, тока и мощности.
Усилители мощности, иногда называемые оконечными
усилителями, предназначены для увеличения мощности звуковых сигналов до такого
уровня, что бы они могли возбудить электроакустические преобразователей,
головные телефоны и другие. Принцип работы усилителей мощности состоит в том,
что преобразует подводимую к ним от источника питании мощности с постоянного
тока в переменный ток, причем форма сигнала на выходе усилителя полностью
повторяет сигнал на входе. Усилители мощности должны обладать небольшими
искажениями. Качество звучания любого звуковоспроизводящего комплекса во многим
зависит от параметров усилителя мощности звуковой частоты. К настоящему времени
опубликованы множество вариантов транзисторных усилителя мощности звуковой
частоты, отличающего порой очень качествами показателями, однако, поиск новых
схемных решении, позволяющих в еще большой мере приблизить звучания
звукопроводящих устройств к естественному, продолжается.
Основная цель работы – получение необходимых
навыков практического расчета транзисторных усилителей, обобществление
полученных теоретических навыков
1. АНАЛИТИЧЕСКИЙ ОБЗОР
.1 Классификация усилителей
УУ называется устройство, предназначенное для
повышения (усиления) мощности входного сигнала. Усиление происходит с помощью
активных элементов за счет потребления мощности от источника питания. В УУ
входной сигнал лишь управляет передачей энергии источника питания в нагрузку.
В зависимости от назначения усилители
подразделяются на:
усилители постоянного тока (ЖЕ),
усилители низкой частоты (УНЧ),
усилители высокой частоты (УВЧ),
избирательные усилители,
широкополосные (видеоусилители),
импульсные,
операционные и т.д.
Операционные усилители относятся к классу
многофункциональных, или универсальных, так как с их помощью можно реализовать
практически любой вид усиления электрического сигнала.
В настоящее время основным элементом
электронного усилительного устройства является транзистор.
Общие принципы проектирования усилителей на
биполярных транзисторах
Транзистором называют полупроводниковый прибор,
в котором изменение входного электрического сигнала приводит к изменению
сопротивления выходной цепи транзистора. Это свойство транзистора может быть
использовано для различных преобразований электрических сигналов (усиление,
генерирование, преобразователей формы и т.д.) в электронных стабилизаторах,
переключателях и т.п. Существует большое разнообразие транзисторов,
отличающихся принципом действия, назначением, мощностью, частотными свойствами
и другими признаками.
В данном курсовом проекте используется
биполярный транзистор типа n-р-п, и имеющий два р-п- перехода. На рисунке 1а
показано условное графическое и буквенное обозначение таких транзисторов на
электрических схемах. На рисунке 1б изображена схема подключения внешних
элементов, генератора усиливаемого входного напряжения (UВХ) и источника
питания ( Un) к выводам транзистора.
Так как эмиттер является общим, то такое
включение транзистора получило название схемы включения с общим эмиттером (ОЭ).
Это основная схема включения биполярных транзисторов, так как в ней наилучшим
образом используются усилительные свойства транзистора. Существуют также схемы
включения с общей базой (ОБ) и общим коллектором (ОК), которые используются
реже.

Рисунок 1 – Условное графическое и буквенное
обозначение биполярных транзисторов типа n-р-n на электрических схемах
Цепь “коллектор-эмиттер” транзистора
является силовой цепью, в которую включается резистор коллекторной нагрузки Р,
а цепь “база-эмиттер” называют управляющей цепью, к которой
подводится усиливаемый электрический сигнал.
По 2-му закону Кирхгофа для транзистора
(смотреть рисунок 16) можно записать
(1)
В схеме включения транзистора с ОЭ входной
величиной является ток базы, а выходной – ток коллектора.

Рисунок 2 – а) входные характеристики б)
выходные или характеристики
Основными статическими вольтамперными
характеристиками (BАХ) транзистора в схеме с ОЭ являются:
а) входные характеристики (рисунок 2, а)
при
(2)
б) выходные или коллекторные характеристики
(рисунок 2, б)
при
(3)
Входные характеристики при UKЭ>0 постепенно
сгущаются, практически перестают зависеть от этой величины, поэтому в
справочниках приводятся две кривые – для UKЭ = 0 В и UКЭ=3 В, либо UKЭ = 5 В.
Выходные характеристики приблизительно
равноудалены друг от друга при одинаковых приращениях тока базы, начиная с
IБ=0. Однако в дальнейшем они начинают сгущаться по мере приближения к току
базы насыщения IБнас. При Iв= IБнас транзистор насыщается, т.е. полностью
открывается, и он перестает быть управляемым током базы, т.е. переходит в
ключевой режим работы.
Рабочей областью выходных характеристик в режиме
усиления является область, ограниченная предельно допустимыми значениями и
областями насыщения и отсечки (смотреть линии со штриховкой на рисунке 2, б). В
этой области характеристики можно считать практически линейными, а транзистор –
линейным элементом.
На входные и выходные характеристики транзистора
(смотреть рисунок 2, а и б) существенно влияет температура нагрева транзистора.
С ростом температуры они эквивалентно поднимаются вверх (смотреть рисунок 2,
б).
В справочниках приводятся электрические
параметры (оптимальные или номинальные для каждого типа транзистора), а также
предельные эксплуатационные данные. К первым, в качестве основных относятся:
статический коэффициент передачи тока (или) в схеме с ОЭ; граничное напряжение
UKЭ; обратный ток коллектора IК0; граничная частота fгр коэффициента , т.е. та
частота усиливаемого сигнала, при которой коэффициент (или) уменьшается в раза
и др.
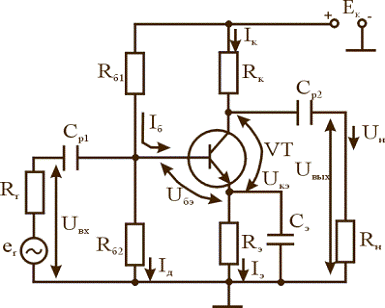
Усилительный каскад на транзисторе с ОЭ (рисунок
3). Каскад предназначен для усиления только переменных сигналов. К входной цепи
усилительного каскада относятся все элементы, подсоединяемые между базой и
эмиттером транзистора, а также источник входного сигнала (UBХ).

Рисунок 3 – Усилительный каскад на транзисторе с
ОЭ
Выходная цепь каскада включает источник питания
Un, управляемый элемент-транзистор VT и резистор R. Эти элементы образуют
главную цепь усилительного каскада, в которой за счет протекающего
коллекторного тока iK , управляемого током базы iб , создается усиленное
переменное напряжение на выходе схемы Uвых. Остальные элементы играют
вспомогательную роль.
Конденсаторы CI и С2 являются разделительными:
CI исключает шунтирование входной цепи каскада цепью источника входного сигнала
по постоянному току, что позволяет, во-первых, исключить протекание постоянного
тока через источник входного сигнала по цепи Un- Rl- внутреннее сопротивление
источника ив (на рис.4 не показано) и, во-вторых, обеспечить независимость
напряжения на базе U~Bn в режиме покоя, т.е. при отсутствии входного сигнала
и=0, от внутреннего сопротивления источника входного сигнала. Назначение
конденсатора С2 – пропускать в цепь нагрузки только переменную составляющую
напряжения.
Резисторы Rl и R2 используются для задания
режима покоя каскада. Поскольку биполярный транзистор управляется током, ввиду
малости входного сопротивления транзистора, включенного по схеме с ОЭ, ток
покоя в коллекторной цепи Г (смотреть рисунок 2, а) задается соответствующей
величиной тока базы сигнала, вносимых транзистором в режиме усиления. Это
требование выполняется, если точка покоя П (смотреть рисунок 2, а и б)
находится в середине линейного участка входных и выходных характеристик
транзистора. Чтобы положение точки покоя оставалось практически неизменным при
старении транзистора или воздействии внешних возмущающих факторов, ток I
делителя R1-R2 должен быть в 8…10 раз больше необходимого тока покоя базы Iбп.
Резистор Rэ является элементом отрицательной
обратной связи, предназначенным для стабилизации режима покоя каскада при
изменениях температуры. Конденсатор Сэ шунтирует резистор Р по переменному
току, исключая тем самым проявление отрицательной обратной связи в каскаде по
переменным составляющим.
Отсутствие Сэ приведет к уменьшению коэффициента
усиления каскада [2] .
Рассмотрим работу каскада в режиме усиления,
когда на вход каскада подается изменяющееся входное напряжение.
При этом начинают изменяться напряжение Uбэ и
ток iб в некоторых пределах, определяемых амплитудой Uвхm и видом входной
характеристики транзистора. Причем эти изменения будут происходить относительно
точки покоя П (смотреть рисунок 2, а и б). В соответствии с выходными
характеристиками транзистора будет изменяться и ток коллектора г, мгновенные
значения которого определяются напряжениями. Для дальнейшего анализа режима
работы каскада необходимо использовать графоаналитический метод расчета
нелинейных электрических цепей, так как транзистор в общем случае является
нелинейным элементом.
Составляем уравнение по 2-му закону Кирхгофа для
режима покоя, т.е. для постоянных составляющих токов и напряжений:покоя rgn
(смотреть рисунок 2, а), протекающего от источника питания Un через резистор
R1. Совместно с R2 резистор R1 образует делитель напряжения питания U , часть
которого, выделяемая на резисторе R2 , равна значению Uбп (смотреть рисунок 2,
а). Выбор значения и определяется требованием минимальных искажений формы
входного
(4)
Величина незначительна, поэтому ею для упрощения
анализа можно пренебречь, и тогда получаем уравнение
(5)
Выражение (5) является уравнением прямой линии в
координатах Iк и Uкэ, т.е. на выходных характеристиках транзистора. Линия,
построенная по этому уравнению в координатах IK и Uкэ, называется линией
нагрузки каскада по постоянному току (смотреть прямую линию на рисунке 2, б).
Точка пересечения этой линии с характеристикой, соответствующей I6п, т.е. точка
П, определяет режим работы каскада по постоянному току.
В режиме усиления рабочая точка перемещается
вдоль линии нагрузки относительно точки П, определяя тем самым переменные
составляющие тока коллектора iк и напряжения UКЭ. Вследствие наличия
разделительного конденсатора С2 на выходных зажимах каскада выделяется только
переменная составляющая напряжения UКЭ, которая и является выходным напряжением
каскада. Графический анализ показывает, что выходное напряжение Uвых и входное
Uвх находятся в противофазе, т.е. одиночный усилительный каскад на транзисторе,
включенный по схеме с ОЭ, сдвигает фазу выходного напряжения по отношению к
входному на 180°. Это одно из основных свойств такого каскада.
Основным показателем любого усилителя является
его коэффициент усиления – это величина, равная отношению выходного сигнала к
входному.
Коэффициент усиления тока базы h21э, транзистора
для схемы включения с ОЭ в статическом режиме является:
э=β =
Iк / Iб, при Uкэ= const (6)
1.3 Амплитудная и амплитудно-частотная
характеристики
Основными характеристиками усилительного каскада
являются амплитудная и амплитудно-частотная (АЧХ). Амплитудная характеристика
определяет зависимость амплитуды или действующего значения при синусоидальном
входном сигнале выходного напряжения от амплитуды или действующего значения
входного напряжения при постоянной частоте входного сигнала. Примерный вид этой
характеристики показан на рис.5. Линейная зависимость между Uвых и Uвх (участок
1-2) сохраняется до тех пор, пока смещение рабочей точки на входной
характеристике транзистора относительно точка покоя П осуществляется по ее
линейному участку (в окрестности точки П на рисунке 2, б). При Uвх>Uвх2
линейность амплитудной характеристики нарушается из-за нелинейности
вольтамперных характеристик транзистора.

Рисунок 4 – Нелинейности вольтамперных
характеристик транзистора
Это приводит к появлению искажений формы
выходного сигнала относительно формы входного, т.е. так называемых, нелинейных
искажений. Нелинейные искажения могут возникнуть при любой форме входного
сигнала. Они зависят от амплитуды входного сигнала, положения точки покоя на
входных и выходных характеристиках транзистора, а также от вида этих
характеристик.
Амплитудно-частотная характеристика (АЧХ)
усилителя представляет собой зависимость модуля коэффициента усиления К от частоты
усиливаемого сигнала при постоянстве значения входного сигнала. Общий вид ее
для усилителя с разделительными конденсаторами, т.е. с конденсаторной связью,
показан на рисунке 5.

Рисунок 5 – Общий вид АЧХ для усилителя с
разделительными конденсаторами
Нелинейность AЧX обусловлена наличием в схеме
усилителя элементов (в частности, конденсаторов и транзистора), параметры
которых зависят от частоты. АЧХ позволяет судить о частотных искажениях,
называемых линейными. Такие искажения возникают, если входной сигнал имеет
сложную форму и его можно представать как сумму гармонических составляющих с
различными частотами и амплитудами, которые усиливаются неодинаково, т.е. с
различными коэффициентами усиления. Анализируя рисунок 6, мы видим, что имеется
диапазон средних частот с постоянным коэффициентом КV0.
Для усилителей низкой частоты, к которым
относится исследуемый нами усилительный каскад, диапазон средних частот
находится ориентировочно в пределах 500…1000 Гц. В диапазонах низких и
высоких частот коэффициент усиления уменьшается (происходят уменьшения
коэффициента усиления в области низких и высоких частот, т.е. так называемые
“завалы” АЧХ).
Диапазон частот усилителя, в пределах которого
усилитель обеспечивает заданное значение коэффициента усиления, называют
полосой пропускания, которая определяет нижнюю fH и верхнюю fa граничные
частоты усиления при заданном уровне частотных (линейных) искажений. Как
правило, значение коэффициента усиления на граничных частотах полосы пропускания
составляет KVo /√2. “Завал” АЧХ в диапазоне низких частот (НЧ)
обусловлен влиянием разделительных конденсаторов CI, C2 и конденсатора Сэ.
Обычно емкости этих конденсаторов выбираются так, чтобы их сопротивление хС=1/ωС
в диапазоне частот полосы пропускания было пренебрежимо мало и падением
напряжения на них можно было пренебречь. С уменьшением частоты усиливаемого
сигнала реактивные сопротивления хс возрастают, что приводит к увеличению
падения напряжения на них, и, как следствие, потери части входного сигнала на
разделительных конденсаторах C1 и С2. Шунтирующее действие конденсатора Сэ при
этом также ослабляется, что приводит к возрастанию влияния отрицательной
обратной связи по переменному току и снижению коэффициента усиления каскада.
“Завал” АЧХ на высоких частотах
обусловлен зависимостью коэффициента усиления транзистора (5 от частоты,
наличием межэлектродных емкостей транзистора (особенно емкостью между базой и
коллектором), влияние которых заключается в шунтировании соответствующих р-п-
переходов тем большем, чем выше частота усиливаемого сигнала.
.4 Типы связи между отдельными усилительными
каскадами
Можно выделить следующие типы связи между
отдельными усилительными каскадами: гальваническую (непосредственную);
емкостную (с помощью RC0 цепочек); трансформаторную; с помощью
частотно-зависимых цепей; оптронную.
Для сравнительно низкочастотных усилителей чаще
используют первый и второй тип связи. Третий применяют реже из-за больших
габаритов трансформаторов, невозможности их микроминиатюризации, высокой
стоимости, сложности изготовление, повышенных нелинейных искажений. Четвертый
тип используют при создании избирательных усилителей, а пятый применяется
сравнительно редко, только в специальных случаях, когда при низкой рабочей
частоте требуется хорошая гальваническая развязка между каскадами.
.5 Обратная связь
На практике ни один усилитель не используется
без обратной связи (ОС). Обратной связью называют передачу мощности
электрического сигнала из выходной цепи во входную.
На рисунке 6 пока структурная схема усилителя с
ОС, где электрический сигнал с выхода усилителя с коэффициентом усиления К
через звено ОС с коэффициентом передачи γ поступает
обратно на вход усилителя. В состав звена ОС могут входить линейные,
нелинейные, частотно-зависимые и другие элементы или даже целые устройства.

Рисунок 6 – Структурная схема усилителя с
обратной связью
Существует целый ряд квалификационных признаков
ОС.
Если электрический сигнал после звена ОС
пропорционален выходному напряжению, то в усилителе используется обратная связь
по напряжению; если сигнал на выходе звена ОС пропорционален току в выходной
цепи, то используется ОС по току. Возможна и комбинированная ОС.
Воздействие ОС может привести либо к увеличению,
либо к уменьшению результирующего сигнала непосредственно на входе усилителя. В
первом случае ОС называют положительной, во втором – отрицательной (сигналы на
входе усилителя либо складываются, либо вычитаются).
По способу введения сигнала ОС во входную цепь
усилителя различают последовательную и параллельную обратные связи. В первом
случае напряжение с выхода звена ОС включается последовательно с напряжением
источника входного сигнала (рисунок 7, а) во втором – параллельно (рисунок 7,
6).

Рисунок 7 – а) последовательная обратная связь
б) параллельная обратная связь
В усилителях в основном используется
отрицательная обратная связь (ООС), введение которой позволяет улучшить почти
вое характеристики усилителей. На рисунке 8а показан усилитель, охваченный
последовательной отрицательной обратной связью по напряжению. Оценим свойства
такого усилителя.
ООС расширяет полосу пропускания (рисунок 8, а)
и линейный участок амплитудной характеристики (рисунок 8, б), что приводит к
уменьшению искажений как линейных, так и нелинейных.

Рисунок 8 а) – полоса пропускания б) – линейный
участок амплитудной характеристики
1.6 Составление структурной схемы
Для проектируемого усилителя целесообразно
применить схему, включающую в себя делитель напряжения, разделительные
емкостные элементы(конденсаторы).
Делитель напряжения предназначен для смещения
напряжения на базе. Делитель состоит из сопротивлений Rб1 и Rб2. Сопротивление
Rб1 подключается к положительному контакту источника постоянного напряжения Ек
параллельно коллекторному сопротивлению Rк, а Rб2 между ветвью базы и
отрицательным контактом источника постоянного напряжения Ек.
Разделительные конденсаторы служат для отсекания
постоянной составляющей сигнала по току(т.е. функция этих элементов не
пропускать постоянный ток). Располагаются они между каскадами усилителя, между
источником сигнала и каскадами, а также между последним каскадом усилителя и
нагрузкой(потребителем усиленного сигнала).
Помимо этого используются конденсаторы в цепи
эмитерной стабилизации. Подключаются параллельно эмитерному сопротивлению Rэ.
Служат для отвода переменной составляющей сигнала от сопротивления эмиттера.
От источника сигнала на первый каскад усилителя
подается слабый сигнал, который усиливается на транзисторе за счет постоянного
напряжения питания, получаемого от источника питания. Далее уже в несколько раз
усиленный сигнал попадает на вход второго каскада, где также посредствам
напряжения питания усиливается до нужного уровня сигнала, после чего передается
к потребителю (в данном случае-нагрузке).
Принцип действия двухкаскадногоусилителя
представлен на рисунке 9.
Рисунок 9- Структурная схема двухкаскадного
усилителя
Проведем расчет транзисторного усилителя по
заданным параметрам в следующем пункте.
2. РАСЧЕТ ТРАНЗИСТОРНОГО УСИЛИТЕЛЯ
.1 Технические условия и характеристики для
расчета
Технические условия и характеристики для
проектирования маломощного низкочастотного усилителя взяты в соответствии с
индивидуальным заданием курсового проекта (Варианта 1).
В таблице 1 приведены данные для расчета каскада
усилителя низкой частоты на биполярном транзисторе. Схема транзисторного
усилительного каскада с общим эмиттером представлена на рисунке 9.
Таблица 1 – Данные варианта для расчета
вариант | Um | Еи, | Ек, | Rи, | Rн, | Fн | |
8 | 14 | 0,05 | 11 | 100 | 4,5 | 20-100000 | 20 |
Обозначения: вых , В – амплитудное значение
напряжения на выходе усилителя;вх, В – амплитудное значение напряжения
источника входного сигнала;
Ек – напряжение источника постоянного напряжения
в цепи коллектора;и – внутреннее сопротивления источника сигнала (внутреннее
сопротивление генератора);н – сопротивление в цепи нагрузки усилителя;
Fн
Fв – диапазон усиливаемых частот;
Мв = Мн – коэффициент частотных
искажений;окр ,оС – рабочая температура усилителя.

Рисунок 9 – Схема транзисторного
усилительного каскада с общим эмиттером
Расчет каскада усилителя будет
выполнен в три этапа:
оценка предельных параметров работы
каскада и выбор транзистора;
расчет по постоянному току;
расчет по переменному току.
.2 Оценка предельных параметров и
выбор транзистора
К предельным параметрам транзистора
относятся:
) максимальное напряжение между
коллектором и эмиттером транзистора, которое выбирается из соотношения Uкэмах =
1,2 * Ек и в нашем случае равно:
кэмах ≥ 1,2 ×11= 13,2 В.
) ток коллектора рекомендуется
выбирать в пределах от 1мА до 3 мА, так как, токи в коллекторной цепи
усилителей малой мощности довольно низкие
Выбор транзистора осуществляем по
двум параметрам: напряжению Uкэмах и максимальной частоте Fм. Выбираем
транзистор типа n-p-n с большим статическим коэффициентом усиления по току h21э
(для расчета из справочника выбираем минимальное значение этого коэффициента).
По условиям подходит транзистор
КТ315Б. Технические характеристики, которого приведены в Приложении А.
.3 Расчет первого каскада
.3.1 Расчет по постоянному току
При проектировании используем
графоаналитический метод расчета. Режим по постоянному току транзистора
определяет все технико-экономические параметры усилителя. В первую очередь
выбираем рабочие точки по току и напряжению входной и выходной (коллекторной)
цепи транзистора. Режим постоянного тока обеспечивается сопротивлениями: Rб1,
Rб2, Rэ, Rк, которые необходимо найти.
Выбираем рабочую точку транзистора
на входной вольт-амперной характеристике (приложение Б), которую обозначим П.
Этой точке соответствует постоянный ток базы транзистора – Iбп и напряжение
между базой и эмиттером – Uбэп, которые соответственно равны:
бп = 0,19 мАбэп = 0,5В
На оси напряжения Uбэ определим
минимальное Uбэмин и максимальное Uбэмакс значения напряжения, отложив в обе
стороны отрезки равные Umвх. От полученных значений проведем перпендикуляры до
пересечения с кривой графика, а от точек пересечения с графиком до оси тока
базы Iб. Значения точек пересечения с осью соответственно будут равны Iбмин и
Iбмакс
На графике выходных характеристик
транзистора (приложение В) определим положение рабочей точки. Рабочий ток покоя
коллектора будет равен
кп = h21э* Iбп = 50 * 0,19 = 9,5 мА.
Проведя из точки Iкп на оси Iк
горизонтальную прямую до пересечения с некоторой ветвью из семейства токов
базы. Это будет точкой покоя П коллекторной цепи.
Опуская перпендикуляр на
горизонтальную ось напряжения Uкэ, получим точку покоя рабочего напряжения
коллектора Uкэп = 9 В.
Построим статическую нагрузочную
прямую по двум точкам, одна из которых является П, лежащая на ветви тока базы
Iбп. Вторая точка откладывается на горизонтальной оси напряжения Uкэ и равна
напряжению питания Ек. (Приложение В)
Построив нагрузочную прямую, при её
пересечении с осью коллекторного тока, получаем точку Iкз = 25мА. Это точка,
которая имеет смысл тока, который бы протекал в коллекторной цепи при короткозамкнутом
транзисторе (перемычке).
Проведем расчет сопротивлений.
) Сопротивление Rэ предназначено для
термокомпенсации рабочего режима каскада и вычисляется по формуле
э = URэ/ Iкп
Напряжение URэ рекомендуется
выбирать равным 0.1Ек, т.е
э = 0.1×15 = 1,5 В,
откуда
э = 1,5 /(9,5*10-3) = 158 Ом.
) Расчет сопротивлений резисторов
Rб1 и Rб2.
Для расчета сопротивлений Rб1 и Rб2
существуют рекомендации выбирать ток делителя Iд в маломощных каскадах в 8-10
раз больше тока базы.
д=10*Iбп= 10* 0,19 = 1,9 мА
Тогда, зная ток базы Iбп и,
используя второй закон Кирхгофа, можно записать следующее:
д*Rб2 = Uбэ Rэ*Iкп и отсюда Rб2 =
(Uбэ Rэ*Iкп)/ Iдб2= (0,5 1,5)/1,9*10-3 = 1053 Ом;
Тогда, Rб1 = (Ек – Iд * Rб2)/ Iд. б1
= (11 -1,9*10-3 *1053)/(1,9×10-3) = 4736 Ом
) Расчет сопротивления Rк
Если Iк = Ек/(Rк Rэ), то отсюда
получим к= Ек /Iкз – Rэк= 11/ 25*10-3 – 158 = 282 Ом
Таким образом, сопротивления Rк и
Rэ, Rб1 и Rб2 найдены.
.3.2 Динамический расчет каскада
Рассчитаем при заданных технических
условиях и характеристиках теоретический коэффициент усиления по напряжению по
формуле:
=14B/0,05B=280;
б = (4736*1053)/(4736 1053) =
861,463 Ом
Сопротивление эквивалентного
генератора входного напряжения рассчитаем по формуле:
экв = (Rи · Rб)/( Rи Rб),экв =
(100*861,5)/(100 861,5) = 89,6 Ом
Напряжение эквивалентного генератора
на входе рассчитаем по формуле:экв = (Еи · Rб)/( Rи Rб )
экв = (0,05*861,5)/(100 861,5) =
0,045 В
Это напряжение меньше, чем
напряжение источника сигнала, и используя входную характеристику транзистора
нужно сначала определить минимальное и максимальное динамическое значение
входного напряжения по формуле:
бдmin = Uбэп – Uэкв = 0,5- 0,045 =
0,455 В;бдmax = Uбэп Uэкв = 0,5 0,045 = 0,545 В.
По динамическим значениям входного
напряжения на входной ВАХ находятся соответствующие динамические входные токи
бдmin = 0,17 мA;бдmax =0,20мA.
Следующим шагом необходимо найти
выходные динамические параметры каскада, и в первую очередь общее сопротивление
коллекторной нагрузки, которое будет найдено из выражения:
,
= (Rн×Rк)/ (Rн
Rк) = (4500×282)/(4500 282)=265,37
Ом.
Так как сопротивление в коллекторной
цепи изменилось по переменному сигналу, необходимо пересчитать и построить
динамическую нагрузочную прямую, которая будет пролегать по двум точкам на
выходной ВАХ транзистора. Первая точка останется, как и для статического режима
(точка П). Вторая точка (фиктивная) должна лежать на ординате Iк и может быть
вычислена по формуле:
кд = Ек/R´н кд =
11/265,37 = 0,041 А или 41 мА
Реально нагрузочный динамический
диапазон, как следует из приложения В, будет находиться в пределах двух ветвей
базового тока Iбд1 и Iбд2. Диапазон изменения выходного напряжения также
изменится и будет, в соответствии с динамической нагрузочной прямой, составлять
Uкд1 = 5,5 В и Uкд2 = 7В
Тогда, фактический коэффициент
усиления каскада определим из выражения:
К = (Uкд2 – Uкд1)/(2·Еи)
К =(7-5,5)/(2*0,05) = 15.
Сравним фактический коэффициент
усиления каскада и коэффициент усиления по напряжению К<Ku (15<100) =>
необходимо первый усилительный каскад дополнить вторым каскадом усиления и
продолжить расчет.
Для этого необходимо рассчитать по
формуле
вых=(Uкд2-Uкд1)/2вых = 0,75 В
.3 Расчет второго каскада
.3.1 Расчет по постоянному току
Выбираем второй транзистор по тем же
параметрам, описанным при выборе первого транзистора. По условиям подходит
транзистор КТ807Б технические характеристики, которого приведены в Приложении
Г.
Режим постоянного тока
обеспечивается сопротивлениями: Rб1, Rб2, Rэ, Rк, которые необходимо найти.
Рабочий режим по постоянному току
определяется на входной и выходной вольт – амперных характеристиках (ВАХ),
которые представлены в приложении Д и Е соответственно. Графоаналитический
расчет выполняется по алгоритму, который использовался для расчета первого
каскада.
Найдем по входной и выходной
вольтамперной характеристикам следующие данные:
Uбэп=0,65 Bбп=10 мА кп= 0,3 Акэп = 9
В
Проведем расчет сопротивлений.
) Сопротивление Rэ2 предназначено
для термокомпенсации рабочего режима каскада и вычисляется по формуле
э2 = URэ/ Iкп
Напряжение URэ рекомендуется
выбирать равным 0.1Ек, т.е
э = 0.1×15 = 1,5 В,
откуда
э2 = 1,5 /(0,3) = 5 Ом.
) Расчет сопротивлений резисторов
Rб3 и Rб4 .
Для расчета сопротивлений Rб3 и Rб4
существуют рекомендации выбирать ток делителя Iд в маломощных каскадах в 8-10
раз больше тока базы.
д=10*Iбп= 10* 10 = 100 мА
Тогда, зная ток базы Iбп и,
используя второй закон Кирхгофа, можно записать следующее:
д*Rб4 = Uбэ Rэ*Iкп и отсюда Rб4 =
(Uбэ Rэ2*Iкп)/ Iдб4= (0,65 5*0,3)/0,1 = 21,5 Ом;
Согласно закону Кирхгофа Rб3 = (Ек –
Iд ×
Rб4)/
Iд = (11 – 0,1*21,5)/0,1 = 88,5 Ом
) Расчет сопротивления Rк2
Сопротивление Rк2 найдем из
статической нагрузочной прямой.
Точка пересечения нагрузочной прямой
и ординаты Iк имеет смысл тока, который бы протекал в коллекторной цепи при
короткозамкнутом транзисторе – Iкз. Численное значение тока Iкз может быть
найдено из выходной ВАХ КТ807Б, где Iкз = 0,85А.
Если Iкз = Ек/( Rк2 Rэ2), то
отсюда получим к2= Ек /Iкз – Rэ2к2= 11/ 0,85 – 5 = 7,94 Ом
Таким образом, сопротивления Rк2 и
Rэ2, Rб3 и Rб4 найдены.
Динамический расчет каскада
Следующим этапом является
динамический расчет каскада.
Найдем величину эквивалентного
сопротивления базовой цепи переменной составляющей входного тока Rб по формуле:
R’б=(88,5*21,5)/(88,5 21,5)=17,29
Сопротивление эквивалентного
генератора входного напряжения рассчитаем по формуле:
экв = (Rи · Rб)/( Rи Rб),экв =
(100*17,29)/( 100 17,29) = 17,74 Ом
Напряжение эквивалентного генератора
на входе рассчитаем по формуле:
экв = (Ег· Rб)/( Rи Rб )экв =
(0,65*17,29)/(100 17,29) = 0,1 В
Это напряжение меньше, чем
напряжение источника сигнала, и используя входную характеристику транзистора
нужно сначала определить минимальное и максимальное динамическое значение
входного напряжения по формуле:
бдmin = Uбп – Uэкв = 0,55В;бдmax =
Uбп Uэкв = 0,75В
По динамическим значениям входного
напряжения на входной ВАХ находятся соответствующие динамические входные токи:
бдmin = 5 мA;бдmax = 30 мA
Следующим шагом необходимо найти
выходные динамические параметры каскада, и в первую очередь общее сопротивление
коллекторной нагрузки, которое будет найдено из выражения:
,
= (Rн×Rк2)/ (Rн
Rк2) = (4500×7,94)/(4507,94)=
7.92 Ом.
Так как сопротивление в коллекторной
цепи изменилось по переменному сигналу, необходимо пересчитать и построить
динамическую нагрузочную прямую, которая будет пролегать по двум точкам на
выходной ВАХ транзистора. Первая точка останется, как и для статического режима
(точка П). Вторая точка (фиктивная) должна лежать на ординате Iк и может быть
вычислена по формуле:
кд = Ек/R´н кд =
11/7,92 = 1,38А
Реально нагрузочный динамический
диапазон будет находиться в пределах двух ветвей базового тока Iбд1 и Iбд2.
Диапазон изменения выходного напряжения также изменится и будет, в соответствии
с динамической нагрузочной прямой, составлять Uкд1 = 4,9 В и Uкд2 = 12В
Тогда, фактический коэффициент
усиления каскада определим из выражения:
К = (Uкд2 – Uкд1)/(2·Еи)
К =(12-4,9)/(2*0,05) = 71.
Сравним фактический коэффициент
усиления каскада и коэффициент усиления по напряжению К<Ku (71<280)
Рассчитаем реальное усиление:
р = К× ![]()
Сравним фактический коэффициент
усиления каскада и коэффициент усиления по напряжению Кр>Ku (1065>280)
=> для усиления хватит двух каскадов.
.3 Расчет разделительных
конденсаторов и емкости шунтирующего конденсатора в цепи эмиттера
Емкости межкаскадных связей Ср1, Ср2
предназначены для гальванической развязки (исключение влияния между каскадами
по постоянному току) между датчиком и первым каскадом и, дальше между каждым из
каскадов по всему тракту усиления. Емкость Сэ предназначена для исключения
обратной связи по переменному току в каскадах усиления. Расчет указанных
емкостей осуществляется по следующим формулам:






Для второго каскада (по тем же
формулам, что и для первого каскада):



ЗАКЛЮЧЕНИЕ
В ходе выполнения курсового проекта
был произведен выбор принципиальной схемы, расчет всех элементов двухкаскадного
усилителя с заданными техническими характеристиками.
В качестве схемы усилителя взята
стандартная схема включения биполярного транзистора с общим эмиттером для
проводимости типа n-p-n .Усилитель по току, режим класс «А». Транзисторы
кремневые маломощные высокочастотные эпитаксильно планарные n-p-n типа
усилительные КТ312Б и КТ807Б.
Разработанный двухкаскадный
усилитель соответствует заданным условиям курсового проекта.
СПИСОК ЛИТЕРАТУРЫ
Зайцев:Под
ред А.В. Голомедова. – М.: Радио и связь, КубК-а 1994. – 384с.;ил.
Корнев
В.А. Методические указания к курсовому проекту. ВКГТУ, 2021.
Полупроводниковые
приборы. Транзисторы малой мощности./А.А.
Лаврененко
В.Ю. Справочник по полупроводниковым приборам. 9-е издание перераб. К. Технiка,
1980. – 464с.; ил.
Москатов
Е. А. Справочник по полупроводниковым приборам. Издание 2. – Таганрог, 219 с.,
ил.
Справочное
пособие по основам электротехники и электроники. /Под ред. А.В.Нетушила. М.:
Энергоатомиздат, 1995.
Электротехника
и основы электроники. /Под ред. О.П.Глудкина, Б.П.Соколова. М.: Высш. шк.,
1993.
Цыкин
Г.С. Усилительные устройства. – М. : Связь, 1971.
Назаров
С.В. Транзисторные стабилизаторы напряжения. – М. : Энергия, 1980.
Цыкина
Л.В. Электронные усилители. – М. : Радио и связь, 1982.
Руденко
В.С. Основы преобразовательной техники. – М. : Высшая школа, 1980.
Расчеты с бюджетом и внебюджетными фондами . другое. финансы, деньги, кредит. 2021-05-09
Счет 68 | |
Дебет (Дт) | Кредит (Кт) |
Сальдо – остаток задолженности | Сальдо – остаток задолженности |
Зачет НДС, уплаченного по | Начисления задолженности |
Сальдо – остаток задолженности | Сальдо – остаток задолженности предприятия бюджету |
Основные проводки по
счету 19 «Налог на добавленную стоимость по приобретенным ценностям» и 68
«Расчеты по налогам и сборам», субсчет «Расчеты по НДС»:
Содержание операции | Документ | Номера корреспондирующих счетов | |
Дебет | Кредит | ||
1. | Счет-фактура | 19 | 60 |
2. | Платежное поручение, счет-фактура | 68 с/сч «НДС» | 19 |
3. | Расчет | 90/3 | 68 с/сч «НДС» |
4. | Расчет | 91/2 | 68 с/сч «НДС» |
5. | Расчет | 90/3 | 68 с/сч «НДС» |
6. | Платежное поручение | 68 с/сч «НДС» | 51 |
7. | Счет-фактура | 91 | 19 |
8. | Счет-фактура | 20, 23, 25, 26, 44 | 19 |
Акцизы
Основным нормативным
документом, регулирующий порядок исчисления и уплаты акцизов, является
Налоговый кодекс РФ. С 01.01.2000г. введена глава 22 НК РФ «Акцизы»
Начисление и уплата акцизов
отражаются аналогично НДС на субсчете «Акцизы» счета 68 «Расчеты по налогам и
сборам».
Учет
расчетов по налогу на прибыль
Основные нормативные
документы:
–
Налоговый
Кодекс Российской Федерации, глава 25 «Налог на прибыль организаций» и ПБУ
18/02 «Учет расчетов по налогу на прибыль», утвержденное Приказом Минфина РФ от
19 ноября 2002 г. N 114н;.
–
Бухгалтерская
прибыль (убыток) формируется по правилам, предусмотренным ПБУ 9/99 «Доходы
организации», ПБУ 10/99 «Расходы организации» и др. Показатель «Прибыль
(убыток) до налогообложения», отражаемый по строке 140 формы N 2 «Отчет о
прибылях и убытках», соответствует «бухгалтерской» прибыли (убытку). При этом
учитываются все доходы и расходы отчетного периода, отраженные на счетах 90, 91
и 99.
–
Налогооблагаемая
прибыль (убыток) – налоговая база по налогу на прибыль организаций,
рассчитанная в порядке, установленном законодательством о налогах и сборах
(ст.247 НК РФ). В налоговом учете расходами признаются лишь те суммы, которые
уменьшают налогооблагаемую прибыль. Бухгалтерская и налогооблагаемая прибыль
различаются вследствие несовпадения подходов к признанию доходов и расходов в
бухгалтерском и налоговом учете. Указанные несоответствия порождают разницы
между бухгалтерской и налогооблагаемой прибылью.
Налог на прибыль,
рассчитанный на основании бухгалтерской прибыли (убытка), сформированной в
отчетном периоде, по-другому называется условным расходом (доходом) по налогу
на прибыль. Для его расчета пользуются формулой:
Условный
расход (доход) по налогу на прибыль (УР/УД) = Бухгалтерская прибыль (убыток)
отчетного периода (БП/БУ)*Ставка налога на прибыль.
Условный расход
(условный доход) по налогу на прибыль равняется величине, определяемой как
произведение бухгалтерской прибыли (убытка), сформированной в отчетном периоде,
на ставку налога на прибыль, действующую на отчетную дату.
Для отражения этих
сумм к счету 99 «Прибыли и убытки», который является источником начисления
налога на прибыль, открывается специальный субсчет «Условный расход (доход) по
налогу на прибыль».
По итогам отчетного
периода, рассчитав сумму налога на бухгалтерскую прибыль, необходимо
осуществить проводку:
Дебет 99, субсчет
«Условный расход (доход) по налогу на прибыль» Кредит 68, субсчет «Расчеты по
налогу на прибыль» – начислен условный расход по налогу на прибыль или (при
наличии бухгалтерского убытка).
Дебет 68 Кредит 99,
субсчет «Условный расход (доход) по налогу на прибыль» – начислен условный
доход по налогу на прибыль.
Пример
1.
Организация по данным
бухгалтерского учета в I квартале получила доход в размере 50 000 руб., а во II
квартале – убыток в размере 5 000 руб. Всего по итогам полугодия бухгалтерская
прибыль составила 45 000 руб. (50 000 – 5 000).
На основании
бухгалтерской прибыли I квартала организация должна исчислить сумму условного
расхода по налогу на прибыль:
Дебет 99, субсчет
“Условный доход (расход) по налогу на прибыль” Кредит 68, субсчет
“Расчеты по налогу на прибыль” – 12 000 руб. (50 000 руб. х 24%) –
начислен условный расход по налогу на прибыль, возникший в данном отчетном
периоде.
На основании
бухгалтерского убытка II квартала исчисляется сумма условного дохода по налогу
на прибыль:
Дебет 68, субсчет
“Расчеты по налогу на прибыль” Кредит 99, субсчет “Условный
доход (расход) по налогу на прибыль” – 1200 руб. (5000 руб. х 24%) –
начислен условный доход по налогу на прибыль, возникший в данном отчетном
периоде.
Общая величина
“текущего налога на прибыль” по итогам II квартала составит 10800
руб. [(12 000 – 1200) или (45 000 руб. х 24%)]. Эта величина соответствует
текущей задолженности организации в отчетном периоде перед бюджетом по налогу
на прибыль.
Далее необходимо найти
разницы между бухгалтерской и налогооблагаемой прибылью (убытком), которые
образуются в результате различных правил учета доходов и расходов по правилам
бухгалтерского учета и НК РФ. С учетом разницы скорректировать начисленный
условный доход (расход) по налогу на прибыль.
Разницы могут быть:
– постоянными;
– временными.
Постоянные
разницы (ПР), постоянные налоговые активы (ПНА) и обязательства (ПНО)
Постоянные разницы
(ПР) – это доходы (расходы), которые формируют бухгалтерскую прибыль (убыток)
отчетного периода, но никогда не учитываются при расчете налогооблагаемой
прибыли ни в текущем отчетном, ни в последующих отчетных периодах.
Нормами ПБУ 10/99 не
предусмотрены какие-либо ограничения возможности признания расходов. В
бухгалтерском учете расходы признаются в сумме фактически произведенных затрат
и отражаются по дебету счетов 08 “Вложения во внеоборотные активы”,
20 “Основное производство”, 26 “Общехозяйственные расходы”,
29 “Обслуживающие производства и хозяйства”, 44 “Расходы на
продажу” и др.
Постоянные разницы
(ПР) – это доходы (расходы), которые формируют бухгалтерскую прибыль (убыток)
отчетного периода, но никогда не учитываются при расчете налогооблагаемой
прибыли ни в текущем отчетном, ни в последующих отчетных периодах.
В Налоговом кодексе
существует ряд расходов, которые не учитываются в налогообложении ни при каких
обстоятельствах (ст.270 НК РФ).
Некоторые расходы при
расчете налога на прибыль нормируются. Нормативная величина некоторых из этих
расходов определяется в твердой сумме или расчетным путем на основании таких
показателей, как выручка, фонд оплаты труда, ставки Банка России, и может
вычисляться нарастающим итогом с начала года. Сверхнормативные расходы могут
полностью исключаться из расчета налоговой базы по налогу на прибыль отчетного
и последующего отчетных периодов или корректироваться в течение года. На сумму
сверхнормативных расходов надо увеличить бухгалтерскую прибыль для получения
налоговой базы по налогу на прибыль. Примером может служить сумма процентов по
заемным средствам (ст. 269 НК РФ).
Перечисленные расходы
являются постоянными разницами, которые исключаются из налоговой базы текущего
и последующего отчетного периода.
Постоянная разница возникает
также в случае, если в налоговом учете формируются какие-либо резервы и по
итогам отчетного периода суммы неиспользованных резервов включаются в состав
внереализационных доходов. При этом в бухгалтерском учете формирование таких
резервов не предусмотрено. В этом случае при формировании резерва в налоговом
учете мы имеем расходы, которые не учитываются в бухгалтерском учете, а при
включении суммы неиспользованного резерва во внереализационные доходы в
налоговом учете – доходы, которые не учитываются в бухгалтерском учете.
Одновременно в
бухгалтерском учете существуют доходы, которые не учитываются при расчете
налога на прибыль. В частности, к таким доходам относятся:
–
доходы в
виде сумм процентов, полученных в соответствии с требованиями статей 78, 79,
176 и 203 НК РФ из бюджета (внебюджетного фонда) (пп. 12 п. 1 ст. 251 НК РФ);
–
доходы в
виде сумм кредиторской задолженности налогоплательщика перед бюджетами разных
уровней (пп. 21 п. 1 ст. 251 НК РФ), списанной или уменьшенной в соответствии с
законодательством Российской Федерации или по решению Правительства РФ.
Если подобные операции
возникли, значит, “бухгалтерская” прибыль стала больше налоговой.
Поэтому ее нужно уменьшить. Для этого разницу умножают на ставку налога на
прибыль и результат отражают такой проводкой:
Дебет 68, субсчет
“Расчеты по налогу на прибыль” Кредит 99, субсчет “Постоянный
налоговый актив” – начислен постоянный налоговый актив.
Таким образом, постоянные
разницы – это:
–
доходы
(расходы), формирующие бухгалтерскую прибыль (убыток) и не принимающие участия
в формировании налоговой базы по налогу на прибыль,
–
доходы
(расходы), формирующие налоговую базу по налогу на прибыль и не принимающие
участия в формировании бухгалтерской прибыли (убытка).
Постоянные разницы
могут приводить к увеличению или к уменьшению налогооблагаемой прибыли по
сравнению с бухгалтерской.
На основе постоянных
разниц (ПР) рассчитывается показатель “постоянное налоговое
обязательство” (ПНО). Под ним понимается сумма налога на прибыль, которую
необходимо “доплатить” в бюджет в связи с тем, что часть расходов не
может быть учтена для целей налогообложения. Это увеличение налоговых платежей
по налогу на прибыль в отчетном периоде по сравнению с суммой налога,
рассчитанной исходя из “бухгалтерской” прибыли (п.7 ПБУ 18/02).
Обратный показатель –
“постоянный налоговый актив” (ПНА). Это сумма налога на прибыль, на
которую нужно уменьшить задолженность бюджету по налогу на прибыль в отчетном
периоде по сравнению с суммой налога, которая рассчитывается исходя из
“бухгалтерской” прибыли в связи с тем, что часть доходов не
учитывается для целей налогообложения.
Постоянное налоговое
обязательство (активы) образуется, когда у организации есть расходы или доходы,
которые учитываются для целей бухгалтерского учета, но не включаются в расчет
налога на прибыль.
Величина постоянного
налогового обязательства (ПНО) или актива (ПНА) рассчитывается по формуле:
ПНО (ПНА) = ПР х Ставка налога на прибыль,
где ПР – постоянные разницы.
Учет постоянных
налоговых обязательств и активов следует вести на счете 99 «Прибыль и убытки»
на отдельном субсчете «Постоянное налоговое обязательство» или «Постоянный
налоговый актив».
Пример
2.
Производственная
организация в 1 квартале получила “бухгалтерскую” прибыль в размере
50 000 руб. Распорядительным документом этой организации установлен размер
суточных при командировках ее работников по территории РФ в размере 300 руб. в
сутки. Расходы на выплату суточных по служебным командировкам управленческого
персонала составили в I квартале 15 000 руб. (300 руб. х 50 сут.). Ставка
налога на прибыль составляет 24%. Сверхнормативные суточные выделяются на
счетах учета затрат на отдельном субсчете.
На основании
“бухгалтерской” прибыли отчетного периода организация должна
исчислить сумму условного расхода по налогу на прибыль:
Дебет 99, субсчет
“Условный доход (расход) по налогу на прибыль” Кредит 68, субсчет
“Расчеты по налогу на прибыль” – 12 000 руб. (50 000 руб. х 24%) –
начислен условный расход по налогу на прибыль, возникший в данном отчетном
периоде.
При определении
налоговой базы по налогу на прибыль организаций к прочим расходам, связанным с
производством и реализацией, согласно постановлению Правительства РФ от 8
февраля 2002 г. N 93 можно отнести суточные в размере 5000 руб.(100 руб. х 50
сут).
Оставшиеся 10 000
руб. (15 000 – 5000) представляют собой постоянные разницы, которые никогда не
будут учтены для целей налогообложения – ни в текущем, ни в следующем отчетном
периодах.
В бухгалтерском
учете делаются проводки:
Дебет 26 Кредит 71 – 5000
руб. (100 руб. х 50 сут.) – учтены в составе управленческих расходов суточные
по командировкам в пределах установленных законодательством норм;
Дебет 26, субсчет
“Постоянные разницы” Кредит 71 – 10 000 руб. [(300 – 100) руб. х 50
сут.] – сверхнормативные суточные учтены как постоянные разницы.
Поскольку в
бухгалтерском учете возникли постоянные разницы, то сумма “условного
расхода” по налогу на прибыль должна быть увеличена на постоянное
налоговое обязательство по итогам I квартала:
Дебет 99, субсчет
“Постоянное налоговое обязательство” Кредит 68 – 2400 руб. (10 000
руб. х 24%) – отражено постоянное налоговое обязательство, возникшее в данном
отчетном периоде.
В результате
корректировки бухгалтерской прибыли получилась налоговая база по налогу на
прибыль в размере 60 000 руб., которая складывается из бухгалтерской прибыли 50
000 руб. и постоянной разницы 10 000 руб.
Задолженность перед
бюджетом по налогу на прибыль – “текущий налог на прибыль” – составит
14 400 руб. Эта величина состоит из условного расхода по налогу на прибыль – 12
000 руб. и постоянного налогового обязательства по налогу на прибыль – 2400
руб.
Временные
разницы.
Временные разницы
возникают, когда момент признания расходов (доходов) в бухгалтерском и
налоговом учете не совпадают. То есть в бухгалтерском учете суммы признаются в
одном отчетном периоде, а в налоговом учете – в другом, со сдвигом во времени.
Суммы, которые в бухгалтерском и налоговом учете признаются в разные периоды,
называются временными разницами (п.8 ПБУ 18/02).
Это может
происходить при применении различных способов начисления амортизации в
бухгалтерском и налоговом учетах. Например, для целей бухгалтерского учета
пунктом 18 ПБУ 6/01 установлено, что начисление амортизации объектов основных
средств производится одним из следующих способов:
–
линейный
способ;
–
способ
уменьшаемого остатка;
–
способ
списания стоимости по сумме чисел лет срока полезного использования;
–
способ
списания стоимости пропорционально объему продукции (работ).
А в соответствии с
главой 25 “Налог на прибыль организаций” НК РФ налогоплательщики
вправе использовать для некоторых амортизационных групп основных средств не
только линейный, но и нелинейный способ амортизации, почти удваивающий суммы
амортизационных начислений. Возможно также применение специальных коэффициентов
для оборудования, являющегося предметом лизинга, и основных средств,
используемых для работы в условиях агрессивной среды и (или) повышенной
сменности.
Иными словами,
временные разницы возникают из-за того, что расходы (доходы), которые вы
признали в бухучете, при налогообложении учитываются в том же объеме, но в
других отчетных периодах. Так, первоначальная стоимость основных средств в
бухгалтерском и налоговом учете совпадает, то есть общая сумма амортизационных
отчислений будет одинаковой. Но в данном отчетном периоде отчисления могут
различаться.
Временные разницы, в
зависимости от их влияния на налогооблагаемую прибыль (убыток), делятся на:
–
вычитаемые;
–
налогооблагаемые.
Вычитаемые
временные разницы (ВВР) и отложенные налоговые активы (ОНА).
Вычитаемые временные
разницы (ВВР) возникают, если расходы в бухгалтерском учете признают раньше,
чем в налоговом, а доходы – позже, со сдвигом во времени.
Такие ситуации могут
возникать, например, если:
–
сумма
начисленных расходов (например, амортизации основных средств) в бухгалтерском
учете больше, чем в налоговом;
–
фирма,
использующая кассовый метод, начислила расходы, но фактически их не оплатила;
–
убыток
прошлого периода не был использован в этом году и перенесен на будущее;
–
в текущем
году произошла переплата налога на прибыль и вам должны засчитать его в счет
будущих платежей.
Вычитаемая временная
разница – это доходы или расходы, которые учитываются при формировании
“бухгалтерской” прибыли в текущем отчетном периоде, а
налогооблагаемой прибыли – в следующих отчетных периодах. Иными словами, это
сумма, на которую текущая налогооблагаемая прибыль больше
“бухгалтерской” (однако в последующие периоды это различие исчезнет).
Такие временные
разницы приводят к образованию отложенного налога на прибыль, который ведет к
уменьшению суммы налога на прибыль в будущих отчетных периодах.
Если вычитаемую
временную разницу умножить на ставку налога, получится та сумма налога на
прибыль будущих периодов, которую вы оплатили сейчас, но зачтете в будущем. Она
носит название отложенный налоговый актив (ОНА).
Отложенный налоговый
актив – это положительная разница между реальным, текущим налогом на прибыль и
условным расходом по налогу, исчисленным из балансовой прибыли. Он показывает,
на сколько можно будет уменьшить сумму этого “условного” налога в
следующем за отчетным или в последующих отчетных периодах.
Отложенный актив
представляет собой произведение ставки налога на вычитаемую временную разницу:
ОНА =
ВВР х Ставка налога на прибыль
Аналог ОНА – НДС,
который учитывается на счете 19. При выполнении всех необходимых согласно НК РФ
условий он будет принят к вычету, будет уменьшать обязательства перед бюджетом.
Аналогично будет учитываться и ОНА по налогу на прибыль, но только на счете 09.
Организация признает
отложенные налоговые активы в том отчетном периоде, когда возникают вычитаемые
временные разницы, если есть вероятность получения в будущем налогооблагаемой
прибыли.
Вычитаемые временные
разницы, как и налогооблагаемые, в отчетном периоде отражаются в бухгалтерском
учете обособленно, а именно в аналитическом учете соответствующего счета учета
активов и обязательств, в оценке которых они возникают.
ОНА учитываются на
счете 09 “Отложенный налоговый актив”.
Пример
3.
В ноябре 2003 г.
организация ввела в эксплуатацию оборудование стоимостью 48 000 руб. Срок его
полезного использования – 4 года.
Учетной политикой
установлено, что организация для целей бухгалтерского учета начисляет
амортизацию по оборудованию по сумме чисел лет полезного использования, а для
целей налогообложения применяет линейный метод начисления амортизации.
Допустим, что в IV
квартале 2003 г. получена бухгалтерская прибыль в размере 50 000 руб.
На основании
бухгалтерской прибыли отчетного периода организация должна исчислить сумму
условного расхода по налогу на прибыль:
Дебет 99, субсчет
“Условный доход (расход) по налогу на прибыль” Кредит 68, субсчет
“Расчеты по налогу на прибыль” – 12 000 руб. (50 000 руб. х 24%)-
начислен условный расход по налогу на прибыль, возникший в данном отчетном
периоде.
Начислять
амортизацию по оборудованию бухгалтер должен с 1 декабря 2003 года. Расхождение
данных бухгалтерского и налогового учета представлено ниже в таблице.
Показатели | В бухгалтерском учете | В налоговом учете |
Первоначальная стоимость оборудования | 48 000 | 48 000 |
Сумма начисленной | 1600 = 48000*4 / (1 2 3 4) / 12 | 1000 = 48 000 / 4 / 12 |
Остаточная | 46400 = (48 000 – 1 600) | 47000 =(48 000 – 1000) |
Вычитаемая временная
разница составит 600 руб. (1600 – 1000).
Отложенный налоговый
актив с этой разницы равен 144 руб. (600 руб. х 24%.).
В бухгалтерском
учете должна быть сделана проводка:
Дебет 09
“Отложенный налоговый актив” Кредит 68, субсчет “Расчеты по
налогу на прибыль” – 144 руб. (600 руб. х 24%.) – отражена сумма
отложенного налогового актива.
Уплатить в бюджет
налог на прибыль следует в сумме 12 144 руб.(12 000 144).
На конец отчетного
периода сумма отложенного налогового актива 144 руб. отражается по строке 145
баланса.
По мере уменьшения
или полного погашения вычитаемых временных разниц сумма отложенных налоговых
активов будет уменьшаться или полностью погашаться.
Для данного примера,
когда сумма амортизации в бухгалтерском учете станет меньше суммы амортизации в
налоговом учете, будут сделаны бухгалтерские проводки:
Дебет 68, субсчет
“Расчеты по налогу на прибыль” Кредит 09 “Отложенный налоговый
актив” – уменьшены (списаны) суммы отложенного налогового актива, приходящиеся
на вычитаемые временные разницы.
В итоге за какой-то
период времени объект полностью самортизируется.
Объект, по которому
образуется отложенный налоговый актив, может выбывать в связи с продажей,
ликвидацией или безвозмездной передачей иному собственнику.
Если налог на
прибыль будущих отчетных периодов уже не может быть уменьшен на сумму ОНА, то
по данному объекту осуществляется бухгалтерская проводка:
Дебет 99 Кредит 09
“Отложенный налоговый актив” – списана сумма отложенного налогового
актива в связи с выбытием объекта, по которому он был начислен.
В дальнейших
отчетных периодах происходит списание в состав “налоговых” расходов
суммы убытка. При этом бухгалтерская прибыль остается неизменной, так как сумма
убытка в бухгалтерском учете была учтена единовременно.
Таким образом, в
периоде реализации амортизируемого имущества в бухгалтерском учете необходимо
отразить вычитаемую временную разницу в сумме налогового убытка, связанного с
такой реализацией.
Налогооблагаемые
временные разницы (НВР) и отложенные налоговые обязательства (ОНО).
Налогооблагаемые
временные разницы возникают, если расходы в бухгалтерском учете признают позже,
чем в налоговом, а доходы – раньше. Это приводит к тому, что в отчетном периоде
налогооблагаемая прибыль оказывается меньше бухгалтерской. Однако в следующих
периодах ситуация изменится, и бухгалтерская прибыль станет меньше налоговой.
Расхождения между данными бухгалтерского и налогового учета согласно ПБУ 18/02
называются налогооблагаемыми временными разницами.
Налогооблагаемые
временные разницы могут возникать, например, если:
–
фирма,
использующая кассовый метод, начислила выручку от реализации, штрафные санкции
по обязательствам, но фактически деньги не получила;
–
сумма
начисленных расходов (например, амортизации основных средств) в бухгалтерском
учете меньше, чем в налоговом;
–
фирма
получила отсрочку или рассрочку по уплате налога на прибыль.
К образованию
налогооблагаемых временных разниц ведет и применение различных способов
амортизации для целей бухгалтерского и налогового учета, когда в бухгалтерском
учете сумма начисленной амортизации ниже, чем в налоговом.
Рассмотрим для
примера порядок отражения процентов по кредитам и займам. В бухгалтерском учете
он регулируется ПБУ 15/01. Проценты по кредитам и займам, начисленные до
момента ввода в эксплуатацию инвестиционного актива, подлежат включению в
стоимость инвестиционного актива.
В налоговом учете в
соответствии с подпунктом 2 пункта 1 статьи 269 НК РФ проценты по кредитам и
займам, уплачиваемые организацией, включаются во внереализационные расходы, но
только в той сумме, которая не превышает определенной нормативной величины.
Это значит, что
текущий финансовый результат по бухгалтерскому учету будет превышать
налогооблагаемую прибыль. И, следовательно, “бухгалтерскую” прибыль
нужно увеличить на сумму этих разниц, чтобы соотнести ее с прибылью в налоговом
учете.
Налогооблагаемые
временные разницы (НВР) рассчитываются так же, как и вычитаемые, но будут иметь
противоположный знак. Они отражаются в аналитике бухгалтерского учета
соответствующего счета учета активов и обязательств, в оценке которых возникли.
Эти разницы приводят
к увеличению сумм налога на прибыль в последующих периодах. При этом сумма
налога на прибыль, которую вы должны будете “доплатить” в последующих
периодах, называется отложенным налоговым обязательством (ОНО).
Отложенное налоговое
обязательство (ОНО) , таким образом, – это отрицательная разница между реальным
текущим налогом на прибыль и условным расходом по налогу, исчисленным с
балансовой прибыли. Отложенное обязательство показывает, насколько нужно будет
увеличить сумму этого “условного” налога в следующем за отчетным
периоде (впоследующих отчетных периодах).
Отложенное налоговое
обязательство признается в том отчетном периоде, когда возникают
налогооблагаемые временные разницы, и рассчитывается по формуле:
ОНО =
НВР х Ставка налога на прибыль,
где НВР – налогооблагаемые
временные разницы.
Чтобы четче уяснить
его суть, можно вспомнить отложенный НДС с выручки при признании момента
возникновения обязательств перед бюджетом “по оплате”. Такой НДС
давно учитывается на счете 76 как предстоящие обязательства перед бюджетом.
Аналогично будет учитываться и отложенный налог на прибыль на счете 77.
Как и по правилам
начисления отложенного НДС, по мере уменьшения или полного погашения
налогооблагаемых временных разниц будут постепенно погашаться и отложенные
налоговые обязательства.
Соответственно в аналитике
соответствующего счета учета активов и обязательств, в оценке которых учитывается
налогооблагаемая временная разница, данные будут корректироваться.
Если выбывает объект
актива или обязательства, по которому было ранее начисление ОНА, и эти суммы
больше не будут увеличивать сумму налога на прибыль в будущем, то происходит списание
отложенного налогового обязательства на счет прибылей и убытков бухгалтерской
проводкой:
Дебет 99 Кредит 77
“Отложенное налоговое обязательство”.
Текущий налог на
прибыль (текущий налоговый убыток) – это сумма фактического налога, который
следует уплатить в бюджет за отчетный период. Она определяется исходя из
величины условного дохода/расхода и его корректировок на суммы постоянных
налоговых обязательств, отложенных налоговых активов и обязательств отчетного
периода.
Текущий налог на
прибыль равен величине налога на прибыль, отраженной в декларации по налогу на
прибыль организации и подлежащей уплате в бюджет за отчетный период.
Текущий налог на
прибыль (ТН) рассчитывается по формуле:
ТН =
УР (УД) ПНО – ПНА ОНА – ОНО,
где УР (УД) – условный расход
(доход) по налогу на прибыль,
ПНО, ПНА – величина
постоянного налогового обязательства (ПНО) и актива (ПНА),
ОНА, ОНО – величина
отложенного налогового актива (ОНА) и отложенного налогового обязательства
(ОНО).
Схема расчета
текущего налога на прибыль приведена в пункте 21 ПБУ 18/02. Практический пример
расчета текущего налога на прибыль приведен в приложении к ПБУ 18/02.
Чтобы убедиться в
правильности расчета текущего налога, можно выполнить альтернативный расчет
следующим образом:
Текущий
налог на прибыль = Налогооблагаемая прибыль отчетного периода х Ставку налога
на прибыль.
Если у фирмы
отсутствуют постоянное налоговое обязательство (активы), то абсолютная разница
между “условным налогом на прибыль”, исчисленным с
“бухгалтерской” прибыли, и “текущим налогом на прибыль”,
будет равна абсолютной разнице между отложенными налоговыми активами и
отложенными налоговыми обязательствами. Ведь именно эта величина
(корректировка) в данном случае и окажет влияние на размер текущих налоговых
обязательств по налогу на прибыль.
Чистая прибыль
(убыток) без учета временных разниц будет определяться по формуле:
ЧП =
БП – УР – ПНО ПНА,
где БП – бухгалтерская
прибыль,
УР – условный расход по
налогу на прибыль
ПНО, ПНА – величина
постоянного налогового обязательства (ПНО) и актива (ПНА).
Структуре Отчета о
прибылях и убытках соответствует следующая формула определения чистой прибыли с
учетом временных разниц:
ЧП =
БП ОНА – ОНО – ТНП,
где БП – бухгалтерская
прибыль,
ОНА, ОНО – величина
отложенного налогового актива (ОНА) и отложенного налогового обязательства
(ОНО),
ТНП – текущий налог на
прибыль.
Здесь имеются в виду
начисленные или зачтенные ОНА, ОНО, отраженные бухгалтерскими проводками:
Дебет 09 Кредит 68,
Дебет 68 Кредит 09,
Дебет 68 Кредит 77,
Дебет 77 Кредит 68,
которые корректируют сумму
налога на прибыль. К чистой прибыли эти проводки отношения не имеют.
Но в некоторых
случаях ОНА и ОНО должны быть списаны на счет прибылей и убытков. Тогда они окажут
влияние на чистую прибыль и убыток.
Чтобы показать, как
рассчитан текущий налог на прибыль, и одновременно дать информацию о чистой
прибыли к распределению, автор рекомендует показать раздельно в форме 2 две
позиции отложенных налоговых активов и обязательств, оказавших влияние на счет
68 и на счет 99. При этом показатели, повлиявшие на счет 99, можно вписать по
свободной строке или в пояснительной записке.
На конкретном
примере рассмотрим как рассчитать текущий налог на прибыль и заполнить Отчет о прибылях
и убытках.
Пример
4.
В III квартале 2003
г. организация по данным бухгалтерского учета получила доход 50 000 руб. Из
произведенных расходов не принимаются для целей налогообложения 10 000 руб.
(сверхнормативные командировочные, представительские, рекламные и т.п.).
Амортизация,
начисленная в бухгалтерском учете больше этой величины в налоговом учете на
5000 руб.
На основании
бухгалтерской прибыли отчетного периода организация должна исчислить сумму
условного расхода по налогу на прибыль:
Дебет 99, субсчет
“Условный доход (расход) по налогу на прибыль” Кредит 68, субсчет
“Расчеты по налогу на прибыль” – 12 000 руб. (50 000 руб. х 24%)-
начислен условный расход по налогу на прибыль, возникший в данном отчетном
периоде.
Поскольку в
бухгалтерском учете возникли постоянные разницы по расходам, не применяемым для
целей налогообложения, сумма “условного расхода” по налогу на прибыль
должна быть увеличена на постоянное налоговое обязательство:
Дебет 99, субсчет
“Постоянное налоговое обязательство” Кредит 68 – 2400 руб. (10 000
руб. х 24%) – отражено постоянное налоговое обязательство, возникшее в данном
отчетном периоде.
По отклонениям в
расчете амортизации возникает отложенный налоговый актив:
Дебет 09 Кредит 68,
субсчет “Расчеты по налогу на прибыль” – 1200 руб. (5000 руб. х 24%)
– отражена сумма отложенного налогового актива, возникшего в данном налоговом
периоде.
Текущий налог на
прибыль равен 15 600 руб. [12 000 2400 1200 или (50 000 10 000 5000) х
24%].
Чистая прибыль,
подлежащая распределению (сальдо счета 99), составит 35 600 руб. (50 000 – 12
000 – 2400).
Раскрытие информации
в Отчете о прибылях и убытках:
Код строки
За отчетный период
Прибыль (убыток) до налогообложения
140
50 000
Отложенные налоговые активы, оказавшие влияние на
текущий налог на прибыль
141
1 200
Отложенные налоговые обязательства
142
–
Текущий налог на прибыль
150
(15 600)
Чистая прибыль (убыток) отчетного периода
190
35600
Справочно.
Постоянные налоговые обязательства (активы)
200
2 400
Для проверки по форме 2 рассчитаем
текущий налог на прибыль:
15 600 руб. = 50 000 х 24% 2400
1200
Чистая прибыль составит 35 600 руб. =
50 000 – (15 600 – 1200).
Расчеты по налогу на прибыль
учитываются на субсчете «Расчеты по налогу на прибыль», открываемом к счету 68
«Расчеты по налогам и сборам». Структура этого счета аналогична описанной выше
структуре субсчета «Расчеты по налогу на добавленную стоимость» (см. Учет
расчетов по НДС).
Начисленные в течение
отчетного периода платежи в бюджет по налогу на прибыль и суммы перерасчетов по
этому налогу, исходя из фактической прибыли, отражают по дебету счета 99
«Прибыли и убытки» на субсчете «Платежи в бюджет из прибыли».
Начисление налога на
прибыль Вашего предприятия, составившего 5 тыс. руб., отражается следующей
записью на счетах бухгалтерского учета:
Счет 68 | Счет 69 | |||
Дебет | Кредит | Дебет | Кредит | |
5 000 | 5 000 | |||
Сальдо по субсчету
«Расчеты по налогу на прибыль», открываемому к счету 68 «Расчеты по налогам и
сборам», характеризует фактические результаты расчетов предприятия по платежам
налога на прибыль. Дебетовое сальдо означает сумму переплаты налога в бюджет,
кредитовое сальдо — сумму, дополнительно причитающуюся в бюджет на
отчетную дату.
Основные проводки по
другим налогам:
Счет 51 | Счет 68 | |||
Дебет | Кредит | Дебет | Кредит | |
5 000 | 5 000 | |||
Обособленное место в системе налогового законодательства занимает единый
налог на вмененный доход для определенных видов деятельности в
системе малого предпринимательства. Вмененным доходом признается
потенциально возможный валовой доход плательщика данного налога за
исключением возможно необходимых расходов, подтвержденных документально.
Плательщиками данного налога выступают юридические и
физические лица, осуществляющие предпринимательскую деятельность
в определенных сферах (бухгалтерские, аудиторские, транспортные
в другие услуги), для которых установлена строго фиксированная
численность.
Если организация или предприниматель имеют несколько
торговых точек или иных мест осуществления своей деятельности, то
расчет суммы единого налога представляется по каждому из таких
мест.
Налоговый период по единому налогу определен в один
квартал. Сумма единого налога исчисляется с учетом ставки,
значения базовой выгодности, числа физических показателей, влияющих на
результаты предпринимательской деятельности, понижающих
(повышающих) коэффициентов базовой доходности, устанавливаемых в
зависимости от конкретных условий хозяйствования (места осуществления – центр,
окраина, сезонности,
суточности работы и пр.).
На сумму исчисленного единого налога на вмененный доход
в учете составляется
бухгалтерская проводка:
Дебет
99 «Прибыли и убытки»
Кредит
68 «Расчеты по налогам и сборам»
Субсчет 2 «Расчеты по единому налогу на вмененный доход».
Погашение задолженности по данному налогу производится
ежемесячно в виде авансового платежа в размере 100% суммы единого налога за
календарный месяц. Согласно по выписке банка на сумму перечисления в учете делается
запись:
Дебет
68 «Расчеты по налогам и сборам»
Субсчет 2 «Расчеты по единому налогу на вмененный доход»
Кредит 51 «Расчетные счета».
Сроки уплаты устанавливаются законодательными органами
субъектов РФ.
Из общего размера уплаченного налога 25 % зачисляются в
федеральный бюджет, в том числе 4 % – в Федеральный дорожный фонда РФ.
Учет расчетов с
бюджетом по налогу на доходы физических лиц. Начисление налога на доходы
физических лиц отражается одной из проводок (в зависимости от ситуации):
Дебет 70 Кредит
68 субсчет “Налог на доходы физических лиц” – удержан налог на доходы
с сумм, начисленных работникам фирмы;
Дебет 75 Кредит
68 субсчет “Налог на доходы физических лиц” – удержан налог на доходы
с сумм дивидендов, выплаченных учредителям (участникам), если они не являются
работниками вашей фирмы;
Дебет 76 Кредит
68 субсчет “Налог на доходы физических лиц” – удержан налог на доходы
с сумм, выплаченных физлицам, которые не состоят в штате вашей фирмы.
Учет расчетов по
налогам и сборам, учитываемым на счете 90 “Продажи”.
Важно отметить,
что помимо НДС есть и другие налоги, которые начисляют по дебету счета 90
“Продажи”. К ним относятся акцизы и экспортные пошлины. Эти налоги
отражаются записью:
Дебет 90-4 Кредит
68 субсчет “Расчеты по акцизам” – начислен акциз;
Дебет 90-5 Кредит
68 субсчет “Расчеты по экспортным пошлинам” – начислена экспортная
пошлина.
Налоги и сборы,
учитываемые на счете 91 “Прочие доходы и расходы”. К этим налогам
относят: налог на имущество, на рекламу, на операции с ценными бумагами и т.д.
Эти налоги отражаются проводками:
а) налог на имущество:
Дебет 91-2 Кредит
68 субсчет “Расчеты по налогу на имущество” – начислен налог на
имущество;
б) налог на рекламу: Дебет 91-2
Кредит 68 субсчет “Расчеты по налогу на рекламу” – начислен налог на
рекламу;
в) налог на операции с ценными
бумагами: Дебет 91-2 Кредит 68 субсчет “Расчеты по налогу на операции с
ценными бумагами” – начислен налог на операции с ценными бумагами;
г) сбор за использование наименований
“Россия”, “Российская Федерация” и образованных на их
основе слов и словосочетаний: Дебет 91-2 Кредит 68 субсчет “Расчеты по
сбору за использование наименований “Россия”, “Российская
Федерация” – начислен сбор.
Налоги и сборы,
признаваемые расходами. Многие налоги начисляют по дебету счетов учета затрат и
расходов на продажу. К ним относят: транспортный налог, земельный налог, налог
на добычу полезных ископаемых и т.д. При их начислении в учете делают проводки:
а) транспортный налог: Дебет 20 (25,
26…) Кредит 68 субсчет “Расчеты по транспортному налогу” – начислен
транспортный налог (в зависимости от цели использования транспортного
средства).
В торговых фирмах
транспортный налог начисляют проводкой: Дебет 44 Кредит 68 субсчет
“Расчеты по транспортному налогу” – начислен транспортный налог;
б) земельный налог: Дебет 20 (23, 25,
26, 29, 44) Кредит 68 субсчет “Расчеты по земельному налогу” –
начислен земельный налог;
в) налог на добычу полезных
ископаемых: Дебет 20 (23, 25, 26, 29) Кредит 68 субсчет “Расчеты по налогу
на добычу полезных ископаемых” – начислен налог на добычу полезных
ископаемых;
г) плата за пользование водными
объектами: Дебет 20 (23, 25, 26, 29) Кредит 68 субсчет “Расчеты по плате
за пользование водными объектами” – начислена плата за пользование водными
объектами;
д) плата за древесину, отпускаемую на
корню: Дебет 97 Кредит 68 субсчет “Расчеты по плате за древесину,
отпускаемую на корню” – начислена плата за древесину, отпускаемую на
корню, согласно лесорубочным билетам;
Дебет 20 (23, 25,
26, 29) Кредит 97 – плата списана на расходы при передаче древесины в
производство;
е) платежи за загрязнение окружающей
среды: Дебет 20 (23, 29, 44) Кредит 68 субсчет “Расчеты по платежам за
загрязнение окружающей среды” – начислены платежи за загрязнение
окружающей среды.
Налоги и сборы в
прочих ситуациях. Некоторые налоги и сборы в зависимости от ситуации начисляются
по дебету различных счетов. К таким налогам относятся:
а) импортные таможенные пошлины:
Дебет 08 (10, 11, 41…) Кредит 68 субсчет “Расчеты по таможенной
пошлине” – начислены импортные таможенные пошлины;
б) государственная пошлина: Дебет 08
(10, 11, 41…) Кредит 68 субсчет “Расчеты по государственной
пошлине” – начислена госпошлина, непосредственно связанная с приобретением
имущества;
Дебет 20 (26,
44…) Кредит 68 субсчет “Расчеты по государственной пошлине” –
начислена госпошлина, связанная с текущей деятельностью фирмы;
Дебет 91-2 Кредит
68 субсчет “Расчеты по государственной пошлине” – начислена
госпошлина, уплаченная фирмой при судебных разбирательствах.
Синтетический учет расчетов с бюджетом ведется по счету
68 – в журнале-ордере № 8. В условиях ведения
автоматизированного учета составляется соответствующая
машинограмма по видам платежей. Размер их регулируется законодательством на
федеральном или местном уровне с указанием сроков погашения. В
конце года суммы платежей в соответствии с произведенными расчетами
корректируются: недоначисленные суммы начисляются, излишне внесенные
засчитываются в счет очередных платежей или подлежат возврату.
Аналитический учет по счету 68 ведется по видам налогов.
Расчеты
с внебюджетными фондами.
Единый социальный налог.
Единый социальный налог —
это относительно новый налог, который заменил уплачиваемые до 01.01.2001 года
страховые взносы в государственные внебюджетные фонды.
Главой 24 НК РФ
установлен порядок исчисления и уплаты единого социального налога. Единый
социальный налог зачисляется в государственные внебюджетные фонды- Пенсионный
Фонд РФ, Фонд социального страхования РФ и Фонд обязательного медицинского
страхования РФ.
В бухгалтерском учете
для отражения операций по единому социальному налогу применяется счет 69
“Расчеты по социальному страхованию и обеспечению”.
К счету 69 могут быть открыты
субсчета:
·
69-1
«Расчеты по социальному страхованию»;
·
69-2 «
Расчеты по пенсионному обеспечению»;
·
69-3
«Расчеты по обязательному медицинскому страхованию»
Основные проводки по
учету расчетов по социальному страхованию и обеспечению:
Счет 69 | |
Дебет (Дт) | Кредит (Кт) |
3. Уплачено в бюджет | 1. Сальдо – остаток на начало периода. |
2. Начислено за отчетный период. | |
4. Сальдо – остаток задолженности предприятия | |
Объект обложения – выплаты и иные
вознаграждения, начисляемые работодателем в пользу работников по всем
основаниям. Объект налогообложения
зависит от категории плательщика ЕСН.
Ставки налога зависят от налоговой базы
на каждого работника, исчисленных
нарастающим итогом с начала года. Основной особенностью
является регрессивная шкала ставок налога (таблица № 1).
В соответствии с новой
редакцией налогового кодекса, которая вступила в силу с 01.01.2009 года ставка
Единого Социального Налога (ЕСН) – та же, что и в 2008 году, то есть 26%:
–
20% –
Федеральный бюджет,
–
2,9% – Фонд
социального страхования (ФСС),
–
1,1% – Федеральный
фонд обязательного медицинского страхования (ФФОМС),
–
2% – Территориальный
фонд федерального обязательного медицинского страхования (ТФОМС)
В соответствии с Федеральным Законом РФ
от 02.01.2000 г. № 10-ФЗ «О
тарифах на обязательное социальное страхование от несчастных случаев на производстве и
профессиональных заболеваний на 2000 г.» установлены страховые тарифы на
обязательное социальное страхование от несчастных случаев на производстве и
профессиональных заболеваний для страхователей в процентах к начисленной
оплате труда по всем
основаниям. Конкретный процент определяется в зависимости от класса профессионального риска.
Порядок расчета отчислений во
внебюджетные фонды аналогичны. Однако
имеется особенность по Фонду социального страхования. Плательщики перечисляют ежемесячно в этот фонд не
всю сумму взносов, а лишь
остаток от начисленных страховых взносов за вычетом фактически произведенных расходов на
санаторно-курортное обслуживание трудящихся и членов их семей и выплату всех видов пособий по социальному страхованию.
При отражении расчетов по социальному
страхованию и обеспечению в учете возникают следующие
проводки:
Содержание операции | Документы | Корреспондирующие счета | ||
Дебет | Кредит | |||
Начисление ЕСН и взносов на социальное страхование | ||||
1. Начислен единый социальный налог (ЕСН) с | Бухгалтерская | 20, 23, 25, 26, 29, 44 | 69/1-1 | |
2. Начислен ЕСН с заработной платы работников в части, подлежащей | Бухгалтерская | 20, 23, 25, 26, 29, 44 | 69/2 | |
3. Начислен ЕСН с заработной платы работников | Бухгалтерская | 20, 23, 25, 26, 29, 44 | 69/3-1 | |
4. Начислен ЕСН с заработной платы | Бухгалтерская | 20, 23, 25, 26, 29, 44 | 69/3-2 | |
5. Начислены взносы на социальное | Бухгалтерская | 91 | 69/1-2 | |
6. Начислены взносы на суммы выплат в пользу | Бухгалтерская | 96 | 69 | |
7. Страховые взносы с сумм отпускных | Бухгалтерская | 97 | 69 | |
8. Фактическое перечисление отчислений по | Платежное | 69/1-1, 69/1-2, 69/2, 69/3-1, 69/3-2 | 51 | |
В соответствии с Конституцией РФ граждане России
имеют право на получение государственного пенсионного, социального и
медицинского обеспечения. Для реализации этих прав в РФ создана и действует
система обязательного социального страхования. Обязательное социальное
страхование представляет собой систему создаваемых государством правовых,
экономических и организационных мер, направленных на компенсацию или
минимизацию последствий изменения материального или социального положения
работающих граждан в случае наступления социальных страховых рисков (таблица №
2), подлежащих обязательному социальному страхованию.
Сроки предоставления
отчётов во внебюджетные фонды.
Социальный фонд | Форма отчёта | Срок представления |
Фонд социального страхования | 4 –ФСС РФ | Не позднее 15-го числа (апреля, июля, октября, |
ИФНС РФ | Расчётная ведомость по взносам (ФБ, ФСС, ФФОМС, | Не позднее 20-го числа (апреля, июля, октября, |
Налог на доходы физических лиц (НДФЛ) | Справка 2 НДФЛ | Ежегодно. Не позднее 30 марта |
II.
Практическая
часть.
Операции по отражению расчетов с
бюджетом и внебюджетными фондами.
Предприятие ООО Завод «А&G» заключило трудовой договор с
работником основного производства 1971 года рождения. Его выплаты в январе
2009 года составили 15000 руб.
Ставки ЕСН:
Федеральный бюджет (ФБ) – 20%
Фронд социального страхования
(ФСС) – 2,9%
Территориальный фонд
обязательного медицинского страхования (ТФОМС – 2,0%
Федеральный фонд обязательного
медицинского страхования ФФОМС – 1,1%
Несчастные случаи (НС) – 1%
(страховые взносы на обязательное социальное страхование от несчастных случаев
на производстве и профессиональных заболеваний) (В данном примере для Завода по
производству автотехники).
Так как работник 1971 года
рождения, то страховая часть трудовой пенсии составляет 8%, а накопительная 6%.
При начислении заработной платы, ЕСН
и страховых взносов в бухгалтерском учете производятся следующие записи:
1. Дебет 20 Кредит 70 – 15 000, 00
руб. (начислена заработная плата за январь).
2. Дебет 20 Кредит 69 субсчет
«Расчеты с бюджетом по ЕСН» – 3 000, 00 руб. (15000*20% – начислена доля ЕСН
подлежащая зачислению в Федеральный бюджет).
3. Дебет 20 Кредит 69субсчет»Расчеты
с ФСС РФ по ЕСН» – 435, 00 руб. (15000*2,9% – начислена доля ЕСН в ФСС РФ).
4. Дебет 20 Кредит 69 субсчет
«Расчеты с ФФОМС по ЕСН» – 165,00 руб. (15000*1,1% – начислена доля ЕСН в
ФФОМС).
5. Дебет 20 Кредит 69 субсчет
«Расчеты с ТФОМС по ЕСН» – 300,00 руб. (15000*2% – начислена доля ЕСН в ТФОМС).
6. Дебет 69 субсчет «Расчеты с
бюджетом по ЕСН» Кредит 69 субсчет «Расчеты с ПФР по страховой части – 1 200, 00
руб. (15000*8% – уменьшена доля ЕСН в федеральный бюджет на сумму,
перечисляемую в ПФР на финансирование страховой части трудовой пенсии.
7. Дебет 69 субсчет «Расчеты с
бюджетом по ЕСН» Кредит 69 субсчет «Расчеты СПФР по накопительной части – 900, 00
руб. (15000*6% – уменьшена доля ЕСН в федеральный бюджет на сумму,
перечисляемую в ПФР на финансирование накопительной части трудовой пенсии.
8.
Дебет 20
Кредит 69 субсчет «Расчеты с ФСС РФ по страховым взносам на ОСНО» – 150, 00
руб. (15000*1% – начислены страховые взносы на обязательное социальное
страхование от несчастных случаев на производстве и профессиональных
заболеваний).
9.
Дебет 70
Кредит 68 субсчет «Расчеты по налогу на доходы физических лиц» – 1 950, 00
руб. (15000*13% – начислен НДФЛ).
10. Дебет 69 субсчет «Расчеты с
бюджетом по ЕСН» Кредит 51 – 900, 00 руб. (3000,00-1200,00-900,00 – перечислены
денежные средства в счет уплаты ЕСН в федеральный бюджет).
11. Дебет 69 субсчет «Расчеты с
ПФР по страховой части трудовой пенсии» Кредит 51 – 1 200, 00 руб. (перечислены
денежные средства на финансирование страховой части трудовой пенсии).
12. Дебет 69 субсчет «Расчеты с ПФР
по накопительной части трудовой пенсии» Кредит 51 – 900, 00 руб. (перечислены
денежные средства на финансирование накопительной части трудовой пенсии).
13. Дебет 69 субсчет «Расчеты с
ФФОМС по ЕСН» Кредит 51 – 165, 00 руб. (перечислены денежные средства в счет
уплаты ЕСН в ФФОМС).
14. Дебет 69 субсчет «Расчеты с
ТФОМС по ЕСН» Кредит 51 – 300, 00 руб. (перечислены денежные средства в счет
уплаты ЕСН в ТФОМС).
15. Дебет 69 субсчет «Расчеты с
ФСС РФ по страховым взносам на «ОСНО» Кредит 51 – 150, 00 руб. (перечислены денежные
средства в счет уплаты страховых взносов на обязательное социальное страхование
от несчастных случаев на производстве и профессиональных заболеваний).
16. Дебет 68 субсчет «Расчеты по
налогу на доходы физических лиц» Кредит 51 – 1 950, 00 руб. (перечислен налог
на доходы физических лиц)
17. Дебет 70 Кредит 50 – 13 050, 00
руб. (15000,00-1950,00 – выплачена заработная плата работнику за январь 2009г.)
3.
Задача
Требуется
отразить на счетах бухгалтерского учета хозяйственные операции за декабрь.
При решении
учесть следующие аспекты, зафиксированные в учетной политике.
1. Выручка от
реализации продукции (работ, услуг) в целях налогообложения признается «по мере
отгрузки».
2. Готовая
продукция учитывается по плановой себестоимости с использованием 40 счета «Выпуск
продукции (работ, услуг)».
Исходные данные
Сальдо по счетам
на 01.12.03 года из Главной книги
№ счета | Сумма, руб. | № счета | Сумма, руб. |
01 | 930 000, 00 | 60 | 238 100, 00 |
02 | 193 430, 00 | 62 | 380 200, 00 |
04 | 3 350, 00 | 66 | 28 400, 00 |
05 | 1 500, 00 | 67 | 7 000, 00 |
08 | 5 340, 00 | 68 | 7 140, 00 |
10 | 280 800, 00 | 69 | 5 300, 00 |
19 | 3 200, 00 | 70 | 28 600, 00 |
20 | 100 100, 00 | 71 | 2 600, 00 |
43 | 386 200, 00 | 76 | Д 4 000, 00 / К 2 990, 00 |
44 | 380, 00 | 80 | 1 850 000, 00 |
50 | 940, 00 | 83 | 38 500, 00 |
51 | 487 980, 00 | 84 | 185 670, 00 |
52 | 30 000, 00 | 99 | 28 460, 00 |
Актив – 2 615 090
руб.
Пассив – 2 615
090 руб.
Хозяйственные
операции за декабрь
№ п/п | Наименование | Сумма (руб.) | Корреспонденция | |
1. | Оприходована на склад | 29 000, | 43 | 40 |
2. | Списана фактическая | 28 400, | 40 | 20 |
3. | Списано отклонение | (29 000,00- 28 400,00) 600, 00 | 40 | 90/2 |
4. | Отгружена продукция и | 23 600, | 62 | 90/1 |
5. | Списана себестоимость | 10 200, | 90/2 | 43 |
6. | Начислен НДС по | 3 600, 00 | 90/3 | 68 |
7. | Списаны коммерческие | 150, 00 | 90/2 | 44 |
8. | Произведен пересчет | 320, 00 | 52 | 91/1 |
9. | Начислены налоги в | 760, 00 | 91/2 | 68 |
10. | Начислены и поступили | 500, 00 | 51 | 91/1 |
11. | Зачислены на расчетный | 20 100, | 51 | 62 |
12. | Получено безвозмездно а) первоначальная б) износ | 20 000, 20 000, 6 500, 00 6 500, 00 | 08 01 20 98/2 | 98/2 08 02 91/1 |
13. | Произведена ликвидация а) первоначальная б) износ на момент в) остаточная г) оприходован | |||
15 000,
00
6 500, 00
5 500, 00
800, 00
02
91/2
10
01/1
01/9
01/9
91/1
14.
о
Оприходованы выявленные
при инвентаризации неучтенные объекты основных средств
11 800,
00
01
91/1
15.
Проданы нематериальные
активы:
а) первоначальная
стоимость
б) амортизация на
момент продажи
в) остаточная
стоимость
г) выставлен счет
покупателю по договорной цене с НДС
д) начислен НДС по
реализованным активам
1 400, 00
800, 00
600, 00
1 416, 00
216, 00
04/9
05
91/2
62
91/2
04/1
04/9
04/9
91/1
68
16.
Возвращен кредит банку
7 000, 00
67
51
17.
Начислена заработная
плата производственным рабочим
20 000,
00
20
70
18.
Начислен ЕСН от
зарплаты
(20 000,
00 × 26%)
5 200, 00
20
69
19.
Определен финансовый
результат от реализации продукции в конце месяца
(600 23600-10200-3600-150)
10 250,
00
90/9
99
20.
Определен финансовый
результат по прочим операциям
(320 500 6500 800 11800 1416-760-5500-600-216)
14 260,
00
91/9
99
21.
Начислен налог на
прибыль
((10250 14260=24510)*20%)
4 902, 00
99
68
22.
Произведена реформация
баланса
(28460 24510-4 902)
48 068, 00
99
84
23.
Закрыты счета к 90 и
91 счетам.
23 600,
00
9 750, 00
3 600, 00
10 250,
00
21 336, 00
7 076, 00
14 260,
00
90/1
90/2
90/3
90/9
91/1
91/2
91/9
90/9
90/9
99
99
91/9
91/9
99
Итого:
323 942,
00
24.
Регламентная операция
закрытие месяца (90 счет)
1 200, 00
90
99
25.
Регламентная операция
закрытие месяца (91 счет)
14 260,
00
91
99
Итого:
339 402,
00
01. | 02. | 04. | ||||||||
С.н. | 930000,00 | С.н. | 193430,00 | С.н. | 3350,00 | |||||
20000,00 | 15000,00 | 6500,00 | 6500,00 | 1400,00 | 1400,00 | |||||
15000,00 | 6500,00 | 800,00 | ||||||||
11800,00 | 5500,00 | 600,00 | ||||||||
об-т | 46800,00 | 27000,00 | об-т | 6500,00 | 6500,00 | об-т | 1400,00 | 2800,00 | ||
С.к. | 949800,00 | С.к. | 193430,00 | С.к. | 1950,00 | |||||
05. | 08. | 10. | ||||||||
С.н. | 1500,00 | С.н. | 5340,00 | С.н. | 280800,00 | |||||
800,00 | . | 20000,00 | 20000,00 | 800,00 | ||||||
об-т | 800,00 | 0,00 | об-т | 20000,00 | 20000,00 | об-т | 800,00 | 0,00 | ||
С.к. | 700,00 | С.к. | 5340,00 | С.к. | 281600,00 | |||||
19. | 20. | 40. | ||||||||
С.н. | 3200,00 | С.н. | 100100,00 | С.н. | ||||||
6500,00 | 28400,00 | 28400,00 | 29000,00 | |||||||
20000,00 | 600,00 | |||||||||
5200,00 | ||||||||||
об-т | 0,00 | 0,00 | об-т | 31700,00 | 28400,00 | об-т | 29000,00 | 29000,00 | ||
С.к. | 3200,00 | С.к. | 103400,00 | С.к. | ||||||
43. | 44. | 50. | ||||||||
С.н. | 386200,00 | С.н. | 380,00 | С.н. | 940,00 | |||||
29000,00 | 10200,00 | 150,00 | ||||||||
об-т | 29000,00 | 10200,00 | об-т | 0,00 | 150,00 | об-т | 0,00 | 0,00 | ||
С.к. | 405000,00 | С.к. | 230,00 | С.к. | 940,00 | |||||
51. | 52. | 60. | ||||||||
С.н. | 487980,00 | С.н. | 30000,00 | С.н. | 238100,00 | |||||
500,00 | 7000,00 | 320,00 | ||||||||
20210,00 | ||||||||||
об-т | 20600,00 | 7000,00 | об-т | 320,00 | 0,00 | об-т | 0,00 | 0,00 | ||
С.к. | 501580,00 | С.к. | 30320,00 | С.к. | 238100,00 | |||||
62. | 66. | 67. | ||||||||
С.н. | 380200,00 | С.н. | 2840,00 | С.н. | 7000,00 | |||||
23600,00 | 20210,00 | 7000,00 | ||||||||
1416,00 | ||||||||||
об-т | 25016,00 | 20210,00 | об-т | 0,00 | 0,00 | об-т | 7000,00 | 0,00 | ||
С.к. | 385116,00 | С.к. | 2840,00 | С.к. | 0,00 | |||||
68. | 69. | 70. | ||||||||
С.н. | 7140,00 | С.н. | 5300,00 | С.н. | 28600,00 | |||||
3600,00 | 5200,00 | 20000,00 | ||||||||
760,00 | ||||||||||
216,00 | ||||||||||
4902,00 | ||||||||||
об-т | 0,00 | 9478,00 | об-т | 0,00 | 5200,00 | об-т | 0,00 | 20000,00 | ||
С.к. | 16618,00 | С.к. | 10500,00 | С.к. | 48600,00 | |||||
71. | 76. | 80. | ||||||||
С.н. | 2600,00 | С.н. | 4000,00 | 2990,00 | С.н. | 1850000,00 | ||||
об-т | 0,00 | 0,00 | об-т | 0,00 | 0,00 | об-т | 0,00 | 0,00 | ||
С.к. | 2600,00 | С.к. | 1010,00 | С.к. | 1850000,00 | |||||
83. | 84. | 90. | ||||||||
С.н. | 38500,00 | С.н. | 185670,00 | |||||||
48068,00 | 10200,00 | 600,00 | ||||||||
3600,00 | 23600,00 | |||||||||
150,00 | ||||||||||
10250,00 | ||||||||||
об-т | 0,00 | 0,00 | об-т | 0,00 | 48068,00 | об-т | 24200,00 | 24200,00 | ||
С.к. | 38500,00 | С.к. | 233738,00 | С.к. | ||||||
91. | 98. | 99. | ||||||||
С.н. | С.н. | С.н. | 28460,00 | |||||||
760,00 | 320,00 | 6500,00 | 20000,00 | 4902,00 | 10250,00 | |||||
5500,00 | 500,00 | 48068,00 | 14260,00 | |||||||
600,00 | 6500,00 | |||||||||
216,00 | 800,00 | |||||||||
14260,00 | 11800,00 | |||||||||
1416,00 | ||||||||||
об-т | 21336,00 | 21336,00 | об-т | 6500,00 | 20000,00 | об-т | 52970,00 | 24510,00 | ||
13500,00 | ||||||||||
90/1 | 90/2 | 90/3 | ||||||||
С.н. | С.н. | С.н. | ||||||||
23600,00 | 10200,00 | 600,00 | 3600,00 | |||||||
150,00 | ||||||||||
об-т | 0,00 | 23600,00 | об-т | 10350,00 | 600,00 | об-т | 3600,00 | 0,00 | ||
С.к. | 23600,00 | С.к. | 9750,00 | С.к. | 3600,00 | |||||
90/9 | 91/1 | 91/2 | ||||||||
С.н. | С.н. | С.н. | ||||||||
9750,00 | 23600,00 | 320,00 | 760,00 | |||||||
3600,00 | 500,00 | 5500,00 | ||||||||
6500,00 | 600,00 | |||||||||
800,00 | 216,00 | |||||||||
11800,00 | ||||||||||
1416,00 | ||||||||||
об-т | 13350,00 | 23600,00 | об-т | 0,00 | 21336,00 | об-т | 7076,00 | 0,00 | ||
С.к. | 10250,00 | С.к. | 21336,00 | С.к. | 7076,00 | |||||
91/9 | ||||||||||
С.н. | ||||||||||
7076,00 | 21336,00 | |||||||||
об-т | 7076,00 | 21336,00 | ||||||||
С.к. | 14260,00 | |||||||||






